
Das Gerät verfügt über 31 Schaltstufen für Zündkreise, ein kleines Bedienpanel, einen Polklemmenanschluss für manuelle Fernsteuerung mittels externer Spannungsquelle und Taster (einfaches Zündpult), einen Polklemmenanschluss für die Verbindung mit der Zünduhr und ein Batteriefach für den Akku. Die Bilder zeigen das Gerät noch ohne Abdeckung.


Das Bedienpanel verfügt über folgende Bedienelemente:
|
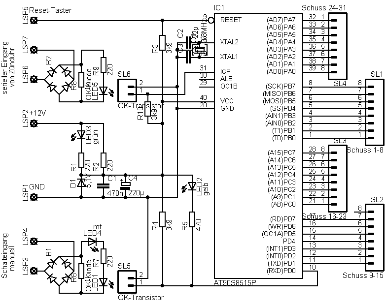
Die Platine für den AVR wurde der Einfachheit halber mit der Platinenflex angefertigt (0,7mm breite Trennlinien in der Kupferschicht) und vorrangig oberflächenbestückt. Links über dem Quarz ist der Optokoppler für den Schalteingang, oben sieht man die LEDs und 5V-Stromversorgung, die Gleichrichterbrücke gehört aber zum Optokoppler. Der Optokoppler für den Steuereingang der Zünduhr ist aber auf einer
separaten Platine, da diese Funktionalität erst später nachgerüstet wurde. Dazu wurde der ICP-Eingang benutzt, der beim AT90S8515 nicht als normaler I/O-Port zur Verfügung steht und daher noch unbenutzt war.
|
Die Rückseite hat neben der GND-Fläche noch die Halogenlampe zur Strombegrenzung und die Befestigung an der Platine des Bedienpanels. Die Pfostensteckverbinder verbinden die AVR-Ausgänge mit den
Ladungspumpen der Schaltstufen. Auf der Vorderseite sind die Signale, auf der Rückseite ist GND. Dadurch liegt jeweils eine GND-Leitung zwischen zwei Datenleitungen, was eine Kopplung zweier benachbarter Datenleitung unterdrückt.
|
Wegen der Erweiterung auf Zünduhrbetrieb, musste eine zweite Optokoppler-Eingangsstufe nachgerüstet werden. Diese kam auf eine eigene Platine, die direkt (mit den oben sichtbaren grünen steifen Drähten) am Anschlussterminal befestigt wurde. Auch diese Platine wurde durch Schleifen der (0,7mm breiten) Trennlinien angefertigt und auf der Oberfläche bestückt. Der verwendete Optokoppler MB106 stammt zwar noch aus DDR-Beständen, funktioniert aber einwandfrei (es war nicht alles schlecht...).
|