
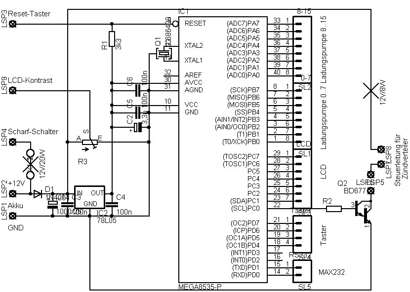
Die genaue Belegung der Ports ist auch dem Quelltext des Programms zu entnehmen. Die genaue Belegung des LCD-Ports findet man im Quelltext des LCD-Treibers. Der MAX232 für die Pegelwandlung der seriellen Schnittstelle zum PC sitzt auf einer eigenen kleinen Platine direkt an der SUB-D-9-Buchse.
Auch das Potentiometer für die Kontrasteinstellung des LCDs wurde direkt in das Bedienpanel eingebaut, in dem sich
Das LCD und die 4 zugehörigen Bedientasten befinden sich an der rechten unteren Seite des Gerätes. Den Platz oberhalb von Bedienpanel und LCD nehmen die Anschlussterminals für die 16 Zündkreise der Gruppe A in Beschlag. Darüber ist Platz für den Akku (12V Bleigel). Die Akku-Kammer bekommt noch eine isolierende Abdeckplatte, um ungewollte Zündungen beim Anschließen der Zündleitungen (versehentliches Berühren der Allupole) wirksam zu verhindern.

Nochmal aus einer anderen Perspektive:
