|
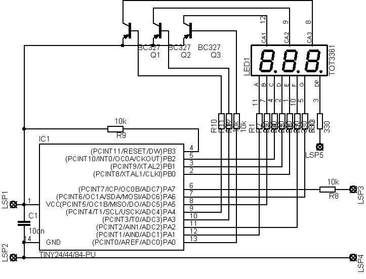
Als Digit-Treiber wurden bedrahtete BC327 auf einer eigenen Platine eingesetzt. Leider vergrößert die große Bauform (TO92) der Transistoren die Bauhöhe des Moduls. DDR-Miniplast-Transistoren wären besser geeignet, ich habe aber leider keine mehr in PNP vorrätig. Also muss ich mit der großen Bauhöhe leben.
|
|
Die Transistoren und Displays sind montiert. Kollektor und Anodenpin stecken in einem gemeinsamen Bohrloch mit 1,0 mm Durchmesser, der Rest (außer den Ecken) ist 0,7 mm gebohrt.
|
|
Hier sind bereits die Pfostenstifte und die Widerstände montiert. Als Basiswiderstände hatte ich schön kleine 10k-Exemplare vorrätig. Die Segmentwiderstände sind allerdings relativ groß, ich werde wohl mal kleinere bestellen müssen.
Nun müssen die Widerstandsdrähte in die Controllerplatine eingefädelt werden. Ich bin am Überlegen, ob ich nicht die Widerstandslötaugen mit der Dremel-Diamantscheibe schlitze, um die Drähte seitlich einlegen zu können.
|
|
Hier sind die Widerstände und Pfostenstifte bereits eingelötet. Das Modul ist nun fast fertig. ISP-Steckbuchsen werden erst angelötet, wenn sie gebraucht werden. Bisher war das nicht der Fall, der Tiny24 wurde vor dem Einbau programmiert.
Die 4 Pfostenstifte bilden die Anschlüsse des Moduls. Es gibt Vcc (+5V), Messeingang und zweimal GND.
Vorn links sieht man das Lötauge für den Segmentwiderstand des Dezimalpunktes. Dieses kann per Brücke oder Umschalter mit einem der drei Digit-Pins des AVRs verbunden werden, um den betreffenden Dezimalpunkt zu aktivieren. Da alle AVR-Pins an den Lötaugen zugänglich sind, ist es jederzeit möglich, die Schaltung zu erweitern (Widerstände an den Segment-Pins des AVRs zum Anschluss von Tastern oder weiteren ADC-Messquellen gegen interne 1,1V).
|
|
Das Modul in Aktion.
|

|
Nun hatte ich doch noch einen Zehner-Streifen Widerstände kleinerer Bauart mit 330 Ohm ausgegraben, worauf ich das zweite Exemplar damit bestückt habe, was die Bauhöhe etwas reduzierte. Gut zu erkennen sind die gekröpften Anschlussdrähte der Basiswiderstände, die den Versatz der Lötpunkte auf der Displayplatine kompensieren.
|

|
Nächste Ansicht. Den Segment-Widerstand für den Dezimalpunkt habe ich inzwischen liegend auf der Display-Platine untergebracht, wodurch zur Controllerplatine nur noch ein Steigdraht (oben mittig zu sehen) nötig ist. Denn beim ersten Exemplar stellte sich heraus, dass es am IC-Gehäuse recht eng für den Widerstand ist.
|
|
Eine weitere Ansicht. Hier sieht man nochmal deutlich, wie störend die Dicke der Transistoren ist. Ich musste sogar ein Stück vom Gehäuserand des Displays abfräsen.
|
|
Nochmal von der Seite der Basis-Widerstände betrachtet.
|


|
Und hier sind noch vier Ansichten, bei denen die Platzverhältnisse zwischen den Platinen gut zu sehen sind.
|