Der erste Versuch


Stromlaufplan und Layout des ersten Versuchsmusters.

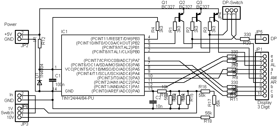
Schaltplan

Platinenlayout Auf ein Netzteil wurde bewusst verzichtet, da das Gerät auch für Akku-Betrieb tauglich sein sollte. Dafür wurde ein Verpolschutz mit Opfer-Widerstand und Diode vorgesehen. Die Segmente der Anzeige sind zwar etwas verwurschtelt, liegen aber alle an PortA des Tiny24. Die Verwurschtelung ermöglichte ein kreuzungsarmes Layout.

Die Digit-Treibertransistoren für die drei Ziffern (gemeinsame Anode pro Ziffer) liegen alle auf PortB. Auch hier ergab sich die Zuordnung aus dem Layout. Der Eingangsspannungsteiler 9 zu 1 besteht aus 6 gleichen SMD-Widerständen. Die Anschlusspads für Messbereichsumschalter und Dezimalpunkt-Umschaltung waren für Messbereiche 5V und 50V gegen Betriebsspannung als Referenz vorgesehen, bei den Messbereichen 1V und 10V stimmen die Dezimalpunkte nicht, da kann man nur einen Dezimalpunkt im 10V-Bereich nutzen.

Die Transistoren wurden etwas "vergewaltigt", indem ihre Emitter-Anschlüsse hochgebogen wurden, anstatt sie durch die Platine zu stecken. Das schaffte Platz für die Basis-Leiterzüge. Die drei Emitter wurden mittels etwas Schaltdraht an Plus gelegt.

Statt der angegebenen 330 Ohm für die Segment-Widerstände wurden 510 Ohm verbaut, bei 5 V ist das hell genug. Das Display ist über eine zerschnittene Präzisions-IC-Fassung angeschlossen, es handelt sich ja um einen Prototypen zur Erprobung von Hardware und Software.




Ziel des Aufbaus war es, den Platzbedarf um den Anzeigebaustein herum hinter der Frontplatte möglichst klein zu halten. Der Preis dafür war die Tiefe des Gerätes. Es wurde ein Nutzen mit 4 gleichen Platinen per Tonertransfer geäzt. Eine der Platinen hatte starke Schäden (Unterätzungen, schlecht haftender Toner, vermutlich nicht richtig gereinigt und entfettet), diese wurde natürlich zuerst bestückt, wobei die fehlerhaften Leiterzüge mit Schaltdraht geflickt wurden. Die Platine enthält auf der Leiterseite auch 6 provisorische Mini-Steckbuchsen zum Anschluss einer "ISP-Spinne", also eines ISP-Kabels mit 6 beschrifteten freien Enden aus Schaltdraht.